羅茨風機超壓運行會導致什么后果
瀏覽: 發布日期:2022-12-21
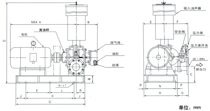
在使用羅茨鼓風機氣力輸送的過程中,如果管道由于某些原因被阻塞并且阻力增加,則很可能導致羅茨風機超壓。如果超壓太大,將產生氣體。逆流和此時的止回閥可以確保羅茨風機的安全。 當氣體反轉時,單向閥關閉以防止氣體倒流。此時,羅茨風機將由于超壓過載而增加電壓和電流,同時,泄壓閥將開始放氣,壓力將保持在相對平衡的邊界。

羅茨風機的止回閥需要與其他零件配合才能發揮良好的作用,特別是當氣體換向時,羅茨風機的止回閥處于半關閉狀態,此時羅茨的其他零件 鼓風機,如:泄壓閥,排氣閥等,這種逆流情況存在時間很長,這些部件可以起到良好的協同作用。
相關新聞
- 2025-11-28185kw羅茨風機安裝注意事項
- 2025-11-24150型高壓水冷羅茨風機準備發貨河南
- 2025-11-13160kw羅茨鼓風機安裝注意事項
- 2025-11-05160KW羅茨鼓風機型號選型
- 2025-11-05160KW羅茨鼓風機如何選型







