高壓羅茨鼓風機廠家哪家好
高壓羅茨鼓風機廠家基本介紹
高壓羅茨鼓風機,英文名Roots blower,系屬容積回轉鼓風機,利用兩個葉形轉子在氣缸內作相對運動來壓縮和輸送氣體的回轉壓縮機。這種鼓風機結構簡單,制造方便,適用于低壓力場合的氣體輸送和加壓,也可用作真空泵。
基本原理
高壓羅茨鼓風機系屬容積回轉鼓風機。這種壓縮機靠轉子軸端的同步齒輪使兩轉子保持嚙合。轉子上每一凹入的曲面部分與氣缸內壁組成工作容積,在轉子回轉過程中從吸氣口帶走氣體,當移到排氣口附近與排氣口相連通的瞬時,因有較高壓力的氣體回流,這時工作容積中的壓力突然升高,然后將氣體輸送到排氣通道。兩轉子互不接觸,它們之間靠嚴密控制的間隙實現密封,故排出的氣體不受潤滑油污染。主要特點
其特點是使用時當壓力在允許范圍內加以調節時流量之變動甚微,壓力選擇范圍很寬,具有強制輸氣的特點。輸送時介質不含油。結構簡單、維修方便、使用壽命長、整機振動小。
真空泵。由于周期性的吸、排氣和瞬時等容壓縮造成氣流速度和壓力的脈動,因而會產生較大的氣體動力噪聲。此外,轉子之間和轉子與氣缸之間的間隙會造成氣體泄漏,從而使效率降低。羅茨鼓風機的排氣量為0.15~150立方米/分,轉速為 150~3000轉/分。單級壓比通常小于1.7,最高可達2.1,可以多級串聯使用。
主要介質
羅茨鼓風機輸送介質為清潔空氣,清潔煤氣,二氧化硫及其他惰性氣體,特殊氣體行業(煤氣、天然氣、沼氣、二氧化碳、二氧化硫等)及高壓工況的首選產品。鑒于具有上述特點,因而能廣泛適應冶金、化工、化肥、石化、儀器、建材行業。
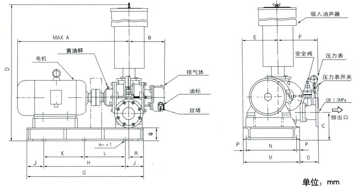
結構
按轉子的形狀,羅茨鼓風機分為兩葉型和三葉型。三葉型轉子每轉動一次由 兩 個轉子進行三 次吸、排氣。與二葉型相比,氣體脈動性小,振動也小,噪聲低。
參數
羅茨鼓風機的轉速為150~3000轉/分鐘。流量為0.15~1200立方米/分鐘,壓力為9.8~196千帕,功率為0.75~1000千瓦,單機重量為100~9000千克。
主要區別
與離心風機的區別比較大:
⒈工作原理不同,離心風機用的是曲線風葉,靠離心力將氣體甩到機殼處,而羅茨風機用的是兩個8字形的風葉,它們間的間隙很小,靠兩個葉片的擠壓,將氣體擠至出氣口。
⒉由于工作原理不同,一般它們的工作壓力不同,羅茨風機的出氣壓力比較高,而離心風機比較小。
⒊風量不同,一般羅茨風機用在風量要求不大但壓力要求較高的地方,而離心風機用在壓力要求低,風量要求大的地方。
⒋制造精度不一樣,羅茨風機要求的精度很高,對裝配要求也很嚴,而離心風機比較松。
運行調節
根據流體力學理論,氣體的流動過程將伴隨著損失。例如,氣體流過節流裝置后,氣流的壓力會相應減少,也就是它們損失了風機的有用功。由于這一切都是在風機輸送氣體的過程中發生的,也就是浪費了風機的能量。
風機工況點是風機在某一轉速下的性能曲線與管網阻力特性線的交點。風機實際運行時,并非永遠停留在設計工況點上。它將隨用戶的需求或外界條件的變化而變化,也就是風機實際上處于變工況下工作。要想使風機的風壓或風量達到某一目標值,就需要對風機或管網進行為人為地控制,亦稱調節。通過有效地調節,實現在保證風機能夠穩定工作的條件下,既要滿足生產對流量或壓力的要求,又能最大限度地節能。簡言之,調節的目的就是滿足性能要求,擴大(穩定)工況,實現節能,防止喘振。
風機采用不同的調節方式都可達到同一目的,但節能效果各不相同。
根據理論分析及實踐證明,可得出如下4個方面的結論。
⑴對于鼓風機和壓縮機,出口節流調節方式耗功最多。盡管相對流量Qr(實際流量Q與設計流量Q0之比)減少時,功率亦相應減少。如當Q=0.65 Q0時,所對應的功率減少到原來的80%左右,但與其它調節方式相比,耗能仍居首位。
⑵如果相對流量變化不大時(或稱調節深度小時),幾種調節方式耗功差別不大。即調節方式對節能效果影響不大,甚至不僅不節能,反而因調節裝置的存在多耗功(如液力耦合器)。
⑶一般來說,調節深度越大,節能效果越顯著。因此,要慎重選擇調節方式,以期獲得最大效益。
⑷變速調節曲線接近理想曲線。所以,變速調節方式優越,特別是采用變頻電動機調速的節能方案為最佳,但需要增設變頻裝置。對于中小容量的變頻調速建議積極試用;由于大容量高電壓變頻調速裝置價格較高,應結合具體情況,綜合比較,決定取舍。總之,既要考慮調節性能,也要考慮設備初投資、可靠性及經濟性等,全面評價調節方式的優劣。
主要用途
污水處理,水產養殖,氣力輸送,水泥,化工,鑄造,面粉等國民經濟部門。
使用維護
羅茨鼓風機的使用要求是,輸送的進氣介質溫度不得高于40℃,介質中的微粒雜質含量不得大于1000mg/m3,微粒的最大尺寸應在0,1mm以下。使用升壓時,不得超過鼓風機銘牌上所規定的額定升壓值,由于羅茨鼓風機結構特殊,因此在運轉要求上同其它的風機有許多不同之處,必須注意。
啟動
羅茨鼓風機在啟動開機前應作好以下各項準備工作;
⑴完全打開進氣調節閥,出氣調節閥以及旁通管;
⑵檢查進風口空氣濾清器是否暢通,濾清器進口是否完全打開;
⑶檢查管道、閥門、消聲器、空氣濾清器支撐是否穩固,不得有負荷力加在機殼上;
⑷檢查潤滑油是否良好,型號是否合適,潤滑油層深度應達到規定油線以上3~5厘米,冷卻水系統是否暢通;
⑸撥動聯軸器、檢查葉輪轉運是否靈適,有無摩擦碰撞;
⑹檢查各部位聯接是否良好,有無松動;
⑺清除周圍雜物,保持風機兩米范圍內無雜物;
⑻檢查電氣部分以及降壓啟動設備是否完好;
⑼檢查檢修工具是否齊備,消防滅火器材是否充足完備。
在以上九項工作做完后,即可開機。羅茨鼓風機開機應首先空車運轉20~30分鐘,觀察鼓風機有無不正常的現象,如發現有撞擊或摩擦聲,應立即停車檢查,并排除故障。待空機運轉正常后,即可進行負載開機。待風機正常運轉后,逐漸調節出口閥門(或逐漸關閉放空閥),逐漸加載到額定壓強,但不得超載運行。在開機時絕對禁止將進、出風口閘閥全部關閉,也不能在滿載時突然停車。
運轉
當羅茨鼓風機正常運轉后,操作工應密切注視所有部件運行狀況,隨時觀察機器各部件的溫度,機器的振動,以及消聲器的噪音,如有異常應立即停機。
停機
羅茨鼓風機的正常停機是首先打開旁通管,進行"放風",待風壓降下來后(基本為零),才能切斷電源,然后關閉進氣閥、冷卻水系統。非正常停機也應首先考慮打開旁通管,進行"放風"
維護
正常運轉中,每隔1~2小時檢查一下軸承、油箱內潤滑油、電機等的溫度,不得高于規定值。羅茨鼓風機在運轉過程中噪聲很大,為了降低噪聲, 除了安裝消聲器外有時也可以采用一些簡便方法以減少噪聲,比如用地穴法。在地下挖一個4~5m3的地穴,地穴上蓋封好,用一根導管將進風口引入地穴,用另一導管將外界空 氣引入地穴。兩根導管盡量踩入地穴底,這樣可以減少很多噪音。
羅茨鼓風機的調節方法有兩種,一種是放風的方法,這個方法簡單可靠,但不經濟。比較經濟的方法是調節轉速。部分立窯水泥廠為了提高羅茨風機的風壓、風量,就是把鼓風機的轉速加快。但是應該注意的是,增加轉速要考慮機械設備的機械強度,不能增加很大,一般轉速不應超過銘牌的15%。轉速增大往往還要更換較大的電機。
羅茨鼓風機的潤滑油3~6個月更換一次或用孔徑小于50微米的銅絲網過濾一次。第一次起動后工作時間最多為200個小時,就應換油。消聲器也宜半年左右檢修一次,更換部分或全部吸音材料。空氣濾清器應經常檢修,進出口閥門,旁通管應保持正常良好狀態。有問題立即修理。
故障處理
問題一關于風量不足處理
⑴轉子縫隙大 處理方法用工具調整間隙;
⑵密封漏氣 處理方法更換密封裝置;
⑶過濾器網眼堵塞 處理方法是更換或者清洗過濾器;
其次電機過載的問題解決:
⑴潤滑油不行,這里建議調換優質潤滑油;
⑵油環不轉或者轉動過慢,這里建議進行修理或者更換;
⑶風機軸電機對中不良,這里建議重新對中;
再次密封磨損問題處理:
⑴密封環與軸套同軸度誤差大,解決方法更換磨損的零部件;
⑵軸彎曲或雜物進入密封環,解決方法清除雜物并且進行軸校正;
⑶轉子振動太大或者軸承間隙過大,解決方法就是更換軸承清除變形影響; [1]
操作說明
⒈輸送介質的進汽溫度通常不得大于 40℃。
⒉介質中微粒的含量不得超過 100mg/m3,微粒最大尺寸不得超過最小工作間隙的一半。
⒊運轉中軸承溫度不得高于 95℃,潤滑油溫度不高于 65℃。
⒋使用壓力不得高于銘牌上規定的升壓范圍。
⒌羅茨鼓風機葉輪與機殼、葉輪與側板、葉輪與葉輪間隙出廠時已調好,重新裝配時要保證該間隙。
⒍羅茨鼓風機運行時,主油箱、副油箱油位必須在油位計兩條紅線之間。
基本要求
1、鼓風機應符合本標準的規定,并按照經規定程序批準的圖樣和技術文件制造。
2、鼓風機的設計、制造及一般技術性能應符合JB/T、8941.1的規定。
3、鼓風機應在進氣溫度不高于40℃,氣體中固體微粒的含量不大于100mg/`m^3`,微粒最大尺寸不大于鼓風機氣缸內各相對運動部件的最小工作間隙之半的條件下正常使用。
4、在規定工作條件下,鼓風機累計無故障運行時間應不少于6000h。

相關新聞
- 2025-11-24150型高壓水冷羅茨風機準備發貨河南
- 2025-11-14水冷式高壓羅茨風機廠家分享型號選型參數表
- 2025-11-10150型羅茨鼓風機廠家分享其工作原理及作用
- 2025-11-10曝氣羅茨風機廠家講解曝氣風機特點
- 2025-07-30羅茨風機廠家有哪些







