脫硫塔氧化風機安裝結構圖及拆解圖(詳細)
脫硫塔氧化風機安裝結構圖和羅茨風機一樣,也有很多類型的風機,不同的工況情況會采用不同類型的風機,脫硫氧化的工藝有很多,常見的脫硫氧化為濕式脫硫,其中會使用到羅茨式氧化風機,為脫硫過程提供氧氣,氧化風機會將環境空氣吸入風機內部,并通過一系列加熱、過濾等處理后向脫硫反應器中輸送高濃度的氧氣,與燃料中的二氧化硫進行反應。氧化風機還可以對脫硫反應器中產生的熱量進行冷卻,保證脫硫反應器內部的溫度控制在合適的范圍內。脫硫塔內的設備包含攪拌器、氧化風管、噴淋管、除霧器,別的有的規劃還有導流板或許均布板等。攪拌器坐落脫硫塔底部首要是起到漿液擾動的效果,避免石膏等顆粒物沉積;氧化風管是向塔內漿液池注入空氣把亞硫酸鹽氧化成硫酸鹽,配套設備為氧化風機;噴淋管是漿液經過循環泵打至脫硫塔漿液池頁面以上,經過噴嘴進行霧化、散布,然后吸收煙氣中的SO2氣體;除霧器首要效果是除掉煙氣中攜帶的液滴,即除水效果。
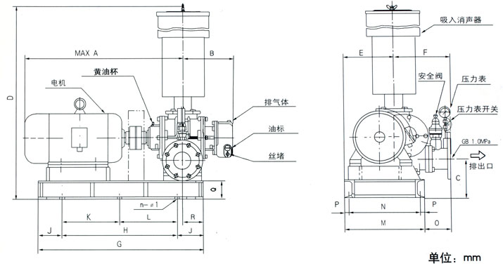
下面小編就為大家提供下,羅茨鼓風機的結構圖。

下圖為拆解下的羅茨鼓風機,羅茨鼓風機的組成結構,說簡單也簡單,說復雜也復雜,與其他種類的風機比較起來,羅茨風機的結構相對簡單,而真的細細研究下去,很多部分也是較為復雜的,如:羅茨風機的間隙標準、葉輪的動平衡誤差等,都需要較為詳細的數據支撐。


通過上面的一組圖片,我們可以看出,脫硫塔氧化風機安裝結構圖的結構形式還是很多的,如果不考慮結構形式,搭配上密封方式等。
相關新聞
- 2023-05-05脫硫塔氧化風機安裝結構圖及拆解圖(詳細)
- 2025-11-28185kw羅茨風機安裝注意事項
- 2025-11-24150型高壓水冷羅茨風機準備發貨河南
- 2025-11-20185KW羅茨鼓風機型號選型表
- 2025-11-19185KW羅茨鼓風機選型方法







